EN
繁體
APP
智能问答
无障碍
适老版
热点搜:
便民服务
政务公开
便民查询
首页
昆山概览
新闻动态
信息公开
政务服务
政民互动
数据开放
首页
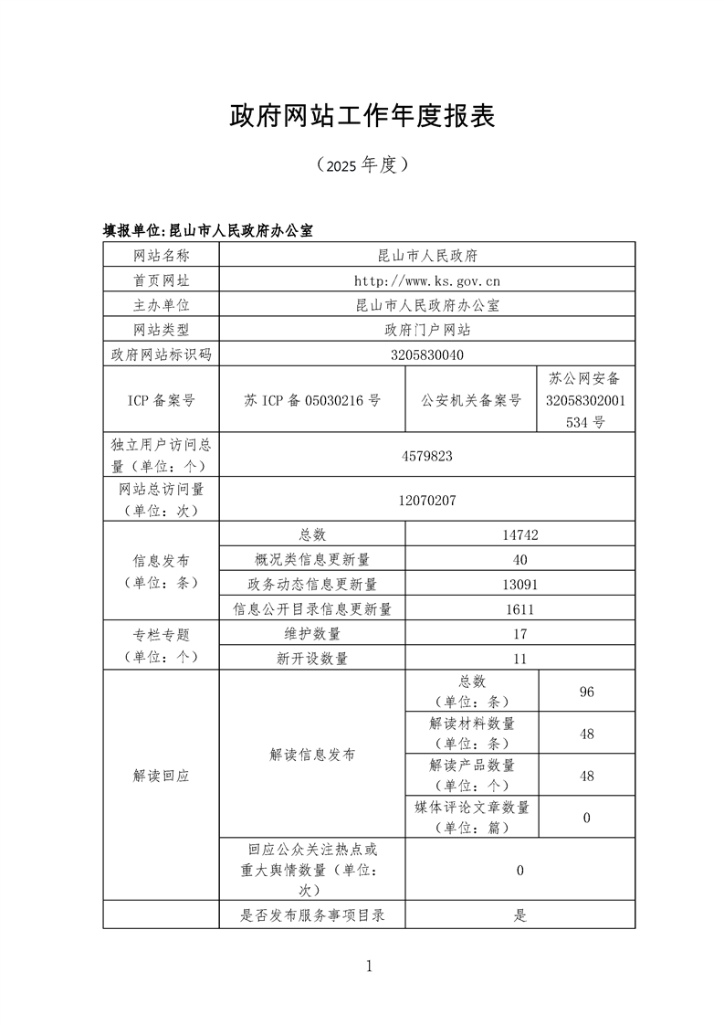
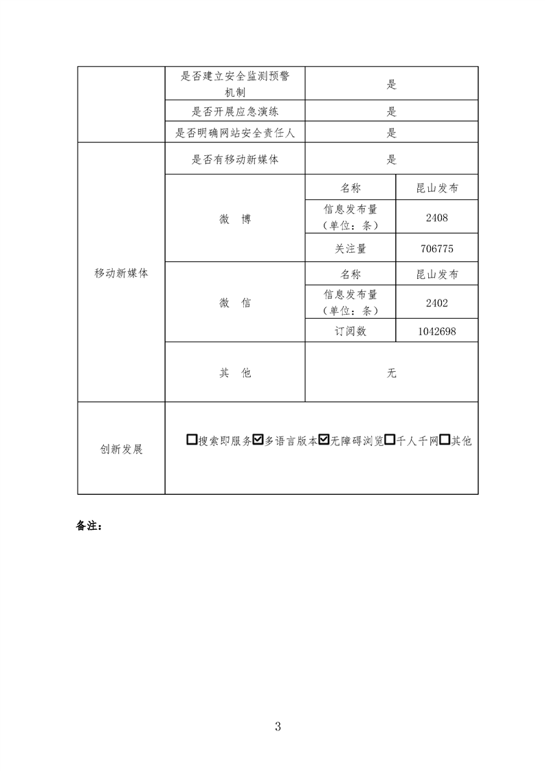
2025年度昆山市人民政府网站工作年度报表